Die Fresh Zone Schublade ist ca. 2°C kälter als die im Kühlschrank-Innenraum eingestellte Temperatur und bietet eine optimale Lagertemperatur für Fisch und Fleisch.

Constructa CX5SI6C0, Backofen-/Kochfeld-Set, CF4A93062 + CA427255 + CZ1608BX0
INKLUSIVE 5 JAHRE GARANTIE* (für die Länder Deutschland, Dänemark, Tschechische Republik, Polen, Österreich, Frankreich, Luxemburg, Belgien, Niederlande und Schweiz)
Ausstattung Backofen
Zubehör Backofen (im Lieferumfang enthalten)
1 x Backblech emailliert
1 x Kombirost
1 x Universalpfanne
Technische Info Backofen
- Länge des Anschlusskabels: 120 cm
- Nennspannung: 220 - 240 V
- Gesamtanschlusswert Elektro: 3.6 kW
- Energieeffizienzklasse (gem. EU Nr. 65/2014): A (auf einer Energieeffizienzklassen-Skala von A+++ bis D)
- Energieverbrauch pro Zyklus im konventionellen Modus: 0.97 kWh
- Energieverbrauch pro Zyklus im Umluft-Modus: 0.81 kWh
- Zahl der Garräume: 1
- Wärmequelle: elektrisch
- Innenraumvolumen: 71 l
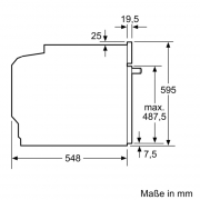
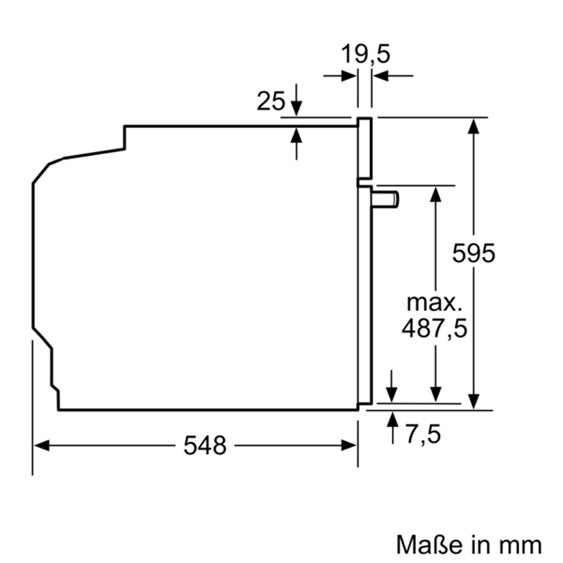
- Gerätemaße (HxBxT): 595 x 594 x 548 mm
- Nischenmaße (HxBxT): 595 mm x 560 mm x 550 mm
- „Maße und Einbauhinweise zu diesem Gerät gemäß technischer Zeichnung beachten“
Ausstattung Kochfeld
- 2 CombiZone-Kochzonen
- Kochzone vorne links: 190 mm, 210 mm, 2.2 kW (maximale Leistung 3.7 kW)
- Kochzone hinten links: 190 mm, 210 mm, 2.2 kW (maximale Leistung 3.7 kW)
- Kochzone hinten rechts: 190 mm, 210 mm , 2.2 kW (maximale Leistung 3.7 kW)
- Kochzone vorne rechts: 190 mm, 210 mm, 2.2 kW (maximale Leistung 3.7 kW)
- Touch Control-Steuerung
- 17 Leistungsstufen: (9 Hauptstufen und 8 Zwischenstufen)
- Powerstufe für alle Induktions-Kochzonen
- Restart-Funktion
- Schnelles Abschalten durch längeres Berühren der Bedienfläche der Kochzone.
- mit Edelstahlrahmen
- 2-stufige Restwärmeanzeige je Kochzone
- Individuell einstellbare Kindersicherung
- Wischschutzfunktion
- Hauptschalter
- Automatische Sicherheitsabschaltung
- aufliegender Edelstahlrahmen
Technische Info Kochfeld
- Abmessungen des Gerätes (HxBxT mm): 55 x 583 x 513
- Erforderliche Nischengröße (HxBxT mm : 55 x 560 x (490 - 500)
- Minimale Arbeitsplattenstärke: 16 mm
- Gesamtanschlusswert: 7400 W
- Powermanagement Funktion: Begrenzen Sie bei Bedarf die maximale Leistung (Abhängig vom Sicherungsschutz der Elektroinstalation).
- Netzkabel: 110 cm, Anschlusskabel beigelegt in Verpackung
*Hinweis:
Wird in der Artikelbeschreibung eine Garantie ausgewiesen, bleiben Ihre gesetzlichen Gewährleistungsrechte uns gegenüber hiervon unberührt. Ist die Kaufsache mangelhaft, können Sie sich daher in jedem Fall an uns halten, unabhängig davon, ob der Garantiefall eintritt und ob die Garantie in Anspruch genommen wird oder nicht.
In den Ländern Dänemark, Tschechische Republik, Polen, Österreich, Frankreich, Luxemburg, Belgien, Niederlande und Schweiz werden im Schaden- oder Reparaturfall im Rahmen der 5 Jahres-Garantie die Kosten maximal in derjenigen Höhe übernommen, wie die Schadenhöhe oder die Reparaturkosten entstanden wären, wenn sie in Deutschland stattgefunden hätten.