Produktbeschreibung
Die Fresh Zone Schublade ist ca. 2°C kälter als die im Kühlschrank-Innenraum eingestellte Temperatur und bietet eine optimale Lagertemperatur für Fisch und Fleisch.

Villeroy & Boch Siluet 45 Flat, KD Fossil, Classicline
Seit dem Jahr 1748 bringen Keramiken von Villeroy & Boch Lebensqualität ins Haus. Villeroy & Boch schafft Produkte, die das Leben bereichern, dies mit dauerhafter Qualität und zeitloser Schönheit. Weiter ... (bitte Klicken auf den Reiter "Über Villeroy & Boch" oberhalb dieses Absatzes)
Ausstattung:
- Material: VB-Keramik
- Farbe: KD Fossil aus der Classicline Serie
- reversibel
reversibel heißt: die Spüle läßt sich sowohl links als auch rechts herum einbauen; d. h. Sie können selbst entscheiden, ob Sie das Abtropfbecken auf der rechten oder auf der linken Seite haben möchten.
einbaubar - Minimalstärke der Platte bei Platzierung mit Geschirrspüler: mind. 3 cm
- Dampfgarschalen GN 1/3 einsetzbar mit Drahtkorb
- TitanCeram
- 1 Becken verschließbar
Technische Informationen:
- minimale Unterschrankbreite 45 cm
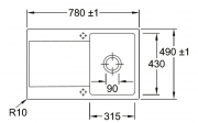
- Spülenmaße: L x B 780 x 490 mm
- Beckentiefe: 220 mm
- Lochbohrungen Ø 35 mm (genormt)
- diese Spüle ist nur als flächenbündige Spüle in Natur-/ Kunststeinplatten einbaubar; ein aufliegender Einbau oder der Einsatz als Unterbau-Spüle ist nicht möglich!
Auszuwählende Optionen (bitte wählen Sie diese oben rechts, neben dem Artikelfoto aus):
Option "Ablaufgarnitur mit Handbetätigung" oder "Ablaufgarnitur mit ExcenterbetätigungDas Füllen und Ablaufen der Spüle wird über einen runden Drehknebel auf der Oberseite der Spüle vorgenommen. Dieser Knebel, Excenterbetätigung genannt, verschließt oder öffnet den Ablauf der Spüle, je nachdem in welche Richtung er gedreht wird. Der Griff in das Spülwasser entfällt somit.
":
Hier können Sie wählen, ob Sie das Schließen und Öffnen des Wasserablaufes per Hand (VB-Handbetätigung) oder komfortabler über einen Drehknebel auf der Oberseite der Spüle (VB-Excenterbetätigung) durchführen möchten.Option "serienmäßige Vorbohrung": Der Auslieferungszustand der Spüle ist inklusive vorgestanzter Lochbohrungen (serienmäßige Vorbohrung); die Oberseite der Spüle ist dabei verschlossen und muß vor Ort an den gekennzeichneten Stellen durchstoßen werden.
Option "Lochbohrungen durch Hersteller": Wenn Sie wünschen, dass aus Sicherheitsgründen die Lochbohrungen werksseitig vom Hersteller vorgenommen werden sollen, wählen Sie bitte diese Option. Hierfür benötigen wir von Ihnen die Nummern/Positionen des Hahnlochs/der Hahnlöcher, die V & B für Sie durchbohren soll. Bei der Spülenversion mit Handbetätigung benötigen Sie 1 Hahnlochbohrung für die Armatur, bei der Version mit Excenterbetätigung benötigen Sie 2 Lochbohrungen (Armatur und Excenter-Bedienung). Bitte beachten Sie hierzu die unten abgebildeten Maßzeichnungen, da die Positionen der Lochbohrungen bei reversiblen Spülen für die Becken-links und Becken-rechts-Versionen unterschiedlich sein können. Eine eventuelle 3. Lochbohrung für einen Seifenspender kann selbstverständlich zusätzlich gewählt werden.
Angabe der Lochbohrungspositionen: Am Ende Ihres Bestellvorgangs auf unseren Seiten (ganz unten im Bestellschritt der Zahlungsarten-Auswahl) finden Sie unten ein Bemerkungsfeld. Bitte teilen Sie uns dort die Positionsnummern mit. Sollten Sie dieses Fenster übersehen, können Sie uns gerne eine Mail an info@ascasa.de zukommen lassen. Wir werden Ihre Bestellung selbstverständlich entsprechend ergänzen, bevor sie weiter bearbeitet wird.
Im Lieferumfang entsprechend der gewählten Option enthalten:
Hinweis: ist auf der oben stehenden Produktabbildung auf der Spüle ein runder Drehknebel zu sehen, handelt es sich um die Version mit Excenter-Betätigung. Eine eventuell abgebildete Armatur gehört nicht zum Lieferumfang.
Hinweis für Auslands- und Nachnahme-Bestellungen / Note for orders from other countries:
Auf Grund der Transport-Sensibilität dieses Artikels können wir Sendungen ins Ausland oder Bestellungen per Nachnahme nur auf einer Palette über eine Spedition vornehmen lassen. Wir bitten Sie uns in diesem Falle vor Abgabe Ihrer Bestellung anzusprechen (Email an info@ascasa.de oder Tel. +49 89 9616069-00). Vielen Dank!
Due to the transport-sensivity of this article we only make shipments abroad on a pallet with a transport company. Please contact us before placing your order (Email to info@ascasa.de or phone +49 89 9616069-00). Thank´s a lot!
Seit 265 Jahren bringen Keramiken von Villeroy & Boch Lebensqualität ins Haus. Villeroy & Boch schafft Produkte, die das Leben bereichern; dies mit dauerhafter Qualität und zeitloser Schönheit. Produkte aus Keramik von Villeroy & Boch zeichnen sich seit dem Jahre 1748 durch Robustheit, Langlebigkeit und einfache Reinigung aus.
Keramik findet sich schon seit langer Zeit im Haushalt. Ob als Geschirr oder Auflaufformen, das robuste Material überzeugt nicht nur durch seine Stoß- und Schlagfestigkeit, sondern auch durch seine warme Ausstrahlung und angenehme Haptik. Villeroy und Boch macht sich die Vorteile dieses hochwertigen Materials auch für Spülen zunutze. Keramik ist besonders hitze- und kältebeständig, so dass problemlos heiße Pfannen oder Gefriergut darauf abgelegt werden können. Auch haushaltsübliche Säuren hinterlassen keine Spuren.
Entdecken Sie die Vorteile der Keramik-Küchenspülen aus dem Hause Villeroy&Boch. Da Keramik geschmacks- und geruchsneutral ist und dank der Oberflächenveredelung CeramicPlus* leicht gereinigt werden kann, kann z. B. Fleisch bedenkenlos auf der Abtropffläche bearbeitet werden und Eingefrorenes im Becken auftauen. Es ist ein Leichtes, Ihre V & B Keramikspüle hygienisch rein zu halten.
*CeramicPlus von Villeroy&Boch ist die innovative Entwicklung für saubere und besonders pflegeleichte Oberflächen von Keramikspülen. Die Keramik-Veredelung mit CeramicPlus bietet einen entscheidenden Vorteil: Flüssigkeiten vereinen sich bei Kontakt sofort von Tropfen zu Perlen und rollen in den Ausguss. Rückstände wie Schmutz und Kalk bleiben auf der Oberfläche kaum haften, sondern werden gleich gelöst und mitgenommen. Die Reinigung der mit CeramicPlus beschichteten Küchenspülen gelingt somit leichter. Angetrocknete Kalkflecken sind im Handumdrehen entfernt, ohne dass aggressive, scheuernde und umweltschädliche Reiniger verwendet werden müssen. CeramicPlus schafft auf sämtlichen Oberflächen von Waschbecken optimale Hygiene und frische Sauberkeit. Das Material ist sowohl beständig gegen übliche Haushaltsartikel auf Säure- und Laugenbasis als auch gegen medizinische und kosmetische Produkte.